概述
有源电力滤波器(APF:Active power filter)是一种用于动态抑制谐波、补偿无功的新型电力电子装置,它能够对不同大小和频率的谐波进行快速跟踪补偿,之所以称为有源,是相对于无源LC滤波器,只能被动吸收固定频率与大小的谐波而言,APF可以通过采样负载电流并进行各次谐波和无功的分离,控制并主动输出电流的大小、频率和相位,并且快速响应,抵消负载中相应电流,实现了动态跟踪补偿,而且可以既补谐波又补无功和不平衡。
APF主要采用FFT算法,DFT算法以及三相电路瞬时无功功率理论算法;APF有并联型和串联型两种,前者用的多;并联有源滤波器主要是治理电流谐波,串联有源滤波器主要是治理电压谐波等引起的问题。
有源滤波器同无源滤波器比较,治理效果好,主要可以同时滤除多次及高次谐波,不会引起谐振,但是价位相对高!实际应用安全系数很低,国际普遍做法是以变压器升压,来保证可靠性,国家相关部门也要求以变压器升压的形式和有源滤波器结合,治理高压谐波!
技术原理
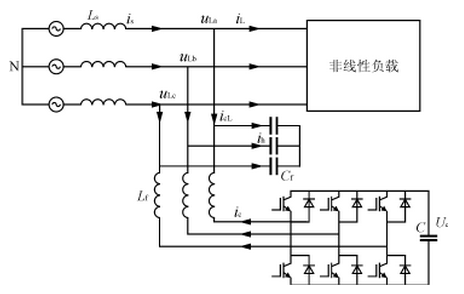
有源电力滤波器系统主要由两大部分组成,即指令电流检测电路和补偿电流发生电路。

图1 有源滤波器示意图
指令电流检测电路的功能主要是从负载电流中分离出谐波电流分量和基波无功电流,然后将其反极性作用后发生补偿电流的指令信号。电流跟踪控制电路的功能是根据主电路产生的补偿电流,计算出主电路各开关器件的触发脉冲,此脉冲经驱动电路后作用于主电路。这样电源电流中只含有基波的有功分量,从而达到消除谐波与进行无功补偿的目的。根据同样的原理,电力有源滤波器还能对不对称三相电路的负序电流分量进行补偿。 有源电力滤波器的主电路一般由PWM逆变器构成。根据逆变器直流侧储能元件的不同,可分为电压型有源滤波器(储能元件为电容)和电流型有源滤波器(储能元件为电感)。电压型有源滤波器在工作时需对直流侧电容电压控制,使直流侧电压维持不变,因而逆变器交流侧输出为PWM电压波。而电流型有源滤波器在工作时需对直流侧电感电流进行控制,使直流侧电流维持不变,因而逆变器交流侧输出为PWM电流波。电压型有源滤波器的优点是损耗较少,效率高,是目前国内外绝大多数有源滤波器采用的主电路结构。电流型有源滤波器由于电流侧电感上始终有电流流过,该电流在电感内阻上将产生较大损耗,所以目前较少采用。

图2 电压型有源滤波器

图3 电流型有源滤波器
2.有源电力滤波器的分类
按电路拓朴结构分类,电力有源滤波器可分为并联型、串联型、串-并联型和混合型。

图4 并联型有源滤波器
图4所示为并联型有源滤波器的基本结构。它主要适用于电流源型非线性负载的谐波电流抵消、无功补偿以及平衡三相系统中的不平衡电流等。目前并联型有源滤波器在技术上已较成熟,它也是当前应用最为广泛的一种有源滤波器拓补结构。

图5 串联型有源滤波器
图5所示为串联型有源滤波器的基本结构。它通过一个匹配变压器将有源滤波器串联于电源和负载之间,以消除电压谐波,平衡或调整负载的端电压。与并联型有源滤波器相比,串联型有源滤波器损耗较大,且各种保护电路也较复杂,因此,很少研究单独使用的串联型有源滤波器,而大多数将它作为混合型有源滤波器的一部分予以研究。

图6 混合型有源滤波器
图6所示为混合型有源滤波器的基本结构。它是在串联型有源滤波器的基础上使用一些大容量的无源L-C滤波网络来承担消除低次谐波,进行无功补偿的任务。而串联型有源滤波器只承担消除高次谐振及阻尼无源LC网络与线路阻抗产生的谐波谐振的任务。从而使串联型有源滤波器的电流、电压额定值大大减少(功率容量可减少到负载容量的5%以下),降低了有源滤波器的成本和体积。从经济角度而言,这种结构形式在目前是一种值得推荐的方案。但随着电力电子器件性能的不断提高,成本不断下降,混合型有源滤波器可能被下面一种性能价格比更高的有源滤波器代替。

图7 串-并联型有源滤波器
图7所示为串-并联型有源滤波器的基本结构。它组合了串联有源滤波器和并联有源滤波器的优点,能解决电气系统发生的大多数电能质量问题,所以又称之为万能有源滤波器或统一电能质量调节器(UPQC),该类有源滤波器的主要问题是控制复杂、造价较高。
技术优势
(1)低纹波电流,高电流响应速度
纹波电流和电流响应速度是矛盾的两个指标。作为有源电力滤波器,其基本原理是检测负载谐波,注入反相谐波,以谐波的相互抵消达到滤波的目的。一般的有源电力滤波器是一个电流模式控制的电压源逆变器。输出电流是通过逆变器输出的电压作用在输出电感上产生的。逆变器采用脉冲宽度调制,根据电工的基本原理,纹波电流决定于开关频率、直流母线电压、输出电感的大小,与电流环的控制无关。开关频率越高纹波电流越小、直流母线电压越高,纹波电流越大;输出电感越大,纹波电流越小。而逆变器期望的输出电流是由电流环所控制。有源电力滤波器输出谐波电流,如果按基波50Hz,补偿50次谐波计算,最高谐波频率将达到2.5kHz。有源电力滤波器对电流响应速度有很高的要求。电流响应速度与直流母线电压和输出电感大小有关。直流母线电压越高,电流响应越快;输出电感越大,电流响应越慢。我们期望输出纹波电流越小越好,电流响应速度越快越好,这是一对矛盾。从上述分析可以看出,两电平有源电力滤波器解决这个矛盾的办法只能是提高开关。在某些厂家的两电平有源电力滤波器产品的开关频率已经达到20kHz。但是,开关频率的提高带来的是更高的开关损耗以及驱动损耗,有源电力滤波器的单机容量会受到限制,而对于更高电压等级的有源电力滤波器,高压的IGBT根本就不允许那么高的开关频率。然而,三电平有源电力滤波器从原理上就是一个解决上述问题的方案。三电平逆变器可以输出正、负、零三种电压,在计算纹波电流时,只需按直流母线电压的一半计算。由此,在相同开关频率、相同直流母线电压、相同纹波电流要求的前提下,三电平的输出电感为两电平的一半,同时器件的开关损耗和电感上的纹波损耗也会降低。在计算电流响应速度时,起作用的将是全部直流母线电压,而输出电感的减半,将加快电流的响应速度,增强滤波效果,提高单机容量。
(2)提高系统耐压,应用于较高电压系统
通常国内低压电网为400V,但是对于某些行业,其低压电网会比较高,例如石油钻机传动采用的是600V,矿山用电可能是690V或1140V,而某些行业的电压等级可能更加多样,但一般都是500V以上。如何解决这些行业谐波治理需求,是一个问题。通常为了提高电流响应速度、保证补偿效果,处理谐波的有源电力滤波器比处理基波的变频器或并网逆变器需要更高的直流母线电压。通常两电平逆变器的直流母线电压是交流电网电压有效值的2倍。对于380V应用,直流母线电压一般在700V~750V,而对于600V,直流母线电压需要达到1200V。很多企业的做法是加一个变压器,将其他等级的电压变为400V。通过谐波的变压器是经过特殊设计的,价格比较高,体积也比较大,变压的损耗也会比较大。而采用三电平技术,可以用耐压较低的管子组成耐压较高的变流器系统,可以直接连接到电压较高的电网上,同时保证较好滤波效果和单机容量。
主要应用场合
1.变频设备的应用场合 随着技术的进步,变频设备大量应用于各类场合,变频设备会产生大量的谐波,因此,这类场合是有源滤波器主要的目标市场之一。
2.不稳定负荷的应用场合 不稳定负荷不是有源滤波器的主要市场,但它是电力系统一个极其重要的方面,因为不稳定的负荷虽然所占比例不大,但是它们对电力系统产生的影响却远远大于其它负荷所造成的影响,因此对于该类应用场合也应作为有源滤波器的主要市场方向之一。
3.钢铁厂 钢铁厂的电弧炉、轧钢机等是主要的谐波发生设备,且主要是冲击性负荷,对钢铁厂附近的其它负荷有很大影响。同时,谐波问题对钢铁厂无功补偿的影响很大,所以应以无功补偿和谐波治理同时处理作为目标。
4.有色冶金 有色冶金的负荷除电弧炉性质的负荷外,还由于采用直流湿法冶金而产生大量的直流成分。
5.港口机械 港机是大型的提升设备,一般都采用很大的变频器,因此是港口机械主要的谐波发生源,因此对于该类应用场合也应作为有源滤波器的市场方向之一。
6.电气化铁路 电气化铁路一般使用直流电机拖动,因此是一个市政方面的主要谐波源。根据现有上海、北京等地电气化铁路的运行情况,大多数系统都安装了滤波器。预计本产品可以达到电气铁路滤波器国产化的作用。 7.高精度自动化生产线 高精度自动化生产线本身不产生谐波,但是对于电能质量有很高的要求,因此需要在高精度自动化生产线的供电侧安装有源滤波器,以降低谐波对生产线的影响。
7.办公大楼、大型商业区等节能灯和空调集中场所 办公大楼、大型商业区等节能灯和空调集中场所的谐波情况也非常严重,治理方法宜采用集中治理方法,以节省成本。
使用案例
(1)2008年日本安川电机推出了Varispeed G7系列通用矢量变频器,其400V产品采用三菱的三电平功率模块,并在应用中取得了巨大成功。
(2)2009年德州和能工业自动化有限公司在自主开发的三电平变流器控制技术的基础上,推出了HEINV系列三电平光伏并网逆变器,前端采用对称BOOST进行最大功率点跟踪,逆变器采用二极管箝位三电平拓扑,两者相互配合,采用Semikron的三电平功率模块,各项指标均优于同类两电平产品。
(3)2006年上海交通大学与上海信元瑞电气有限公司(当时的上海飞平电子有限公司)合作推出了国内唯一一个以能量算法为基础的有源电力滤波器(APF)NEWSINE系列产品,大大的提高了系统的稳定性,随着此后该产品在我国137个大型项目中的实际应用情况反馈,证明和标志了中国FACTS技术已经达到了国际领先水平。